Логотип
Ru| En

Офис: м. Бауманская

Склад: Ленинские Горки

Loading

Тройники Geberit Silent-Pro из PP-MX

Тройники Geberit Silent-Pro применяются при монтаже канализационных систем внутри зданий, включая больницы и отели.

Фитинг представляет собой короткую трубу с ответвлением под различными углами. Применяется для разветвления трубопровода.

В данной группе товаров представлены следующие виды тройников Geberit Silent-Pro:

  • тройники с ответвлением под углом 45°;
  • тройники с ответвлением под углом 87,5°;
  • тройники с параллельным отводом;
  • тройники со смещённым выпуском.
Фото Наименование Артикул Цена
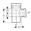
Тройник Geberit Silent-Pro со смещенным впуском 87,5°, d - 110, d1 - 90 [Артикул: 393.552.14.1]
Подробнее
393.552.14.1

ВНИМАНИЕ! Товар временно недоступен для заказа!

Цель применения:

  • Для отвода сточных вод внутри зданий
  • Для зданий с высокими требованиями к звукоизоляции

Характеристики:

  • Звукоизоляция

Технические данные

Температура монтажа: от -10 до +40 °C.

Материал: PP MX.

Тепловое расширение: 0,08 мм/(м·К).

d d1 Угол H Z1 Z2 Z3
мм мм   см см см см
110 90 88,5° 21,2 8,2 8,1 6,1
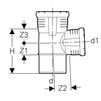
Тройник Geberit Silent-Pro со смещенным впуском 87,5°, d - 110, d1 - 110 [Артикул: 393.555.14.1]
Подробнее
393.555.14.1

ВНИМАНИЕ! Товар временно недоступен для заказа!

Цель применения:

  • Для отвода сточных вод внутри зданий
  • Для зданий с высокими требованиями к звукоизоляции

Характеристики:

  • Звукоизоляция

Технические данные

Температура монтажа: от -10 до +40 °C.

Материал: PP MX.

Тепловое расширение: 0,08 мм/(м·К).

d d1 Угол H Z1 Z2 Z3
мм мм   см см см см
110 110 88,5° 21,2 8,2 7,7 6,1
Тройник Geberit Silent-Pro с параллельным отводом 45°, d - 110, d1 - 110 [Артикул: 393.557.14.1]
Подробнее
393.557.14.1

ВНИМАНИЕ! Товар временно недоступен для заказа!

Цель применения:

  • Для отвода сточных вод внутри зданий
  • Для зданий с высокими требованиями к звукоизоляции

Характеристики:

  • Звукоизоляция
  • Труба сварная

Технические данные

Температура монтажа: от -10 до +40 °C.

Материал: PP MX.

Тепловое расширение: 0,08 мм/(м·К).

d d1 Угол a H H1 Z Z1 Z2 Z3
мм мм   см см см см см см см
110 110 45° 13,3 23,3 25,7 13,8 2,7 18,4 2,4
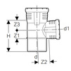
Тройник 45° Geberit Silent-Pro, d - 125, d1 - 75 [Артикул: 393.633.14.1]
Подробнее
393.633.14.1

ВНИМАНИЕ! Товар временно недоступен для заказа!

Цель применения:

  • Для отвода сточных вод внутри зданий
  • Для зданий с высокими требованиями к звукоизоляции

Характеристики:

  • Звукоизоляция

Технические данные

Температура монтажа: от -10 до +40 °C.

Материал: PP MX.

Тепловое расширение: 0,08 мм/(м·К).

d d1 Угол H Z1 Z2 Z3
мм мм   см см см см
125 75 45° 20,1 3,8 13,3 13,1
Тройник 45° Geberit Silent-Pro, d - 125, d1 - 90 [Артикул: 393.634.14.1]
Подробнее
393.634.14.1

ВНИМАНИЕ! Товар временно недоступен для заказа!

Цель применения:

  • Для отвода сточных вод внутри зданий
  • Для зданий с высокими требованиями к звукоизоляции

Характеристики:

  • Звукоизоляция

Технические данные

Температура монтажа: от -10 до +40 °C.

Материал: PP MX.

Тепловое расширение: 0,08 мм/(м·К).

d d1 Угол H Z1 Z2 Z3
мм мм   см см см см
125 90 45° 24,3 2,1 18,4 14,9
Тройник 45° Geberit Silent-Pro, d - 125, d1 - 110 [Артикул: 393.635.14.1]
Подробнее
393.635.14.1

ВНИМАНИЕ! Товар временно недоступен для заказа!

Цель применения:

  • Для отвода сточных вод внутри зданий
  • Для зданий с высокими требованиями к звукоизоляции

Характеристики:

  • Звукоизоляция

Технические данные

Температура монтажа: от -10 до +40 °C.

Материал: PP MX.

Тепловое расширение: 0,08 мм/(м·К).

d d1 Угол H Z1 Z2 Z3
мм мм   см см см см
125 110 45° 24,3 2,1 14,7 14,9
Тройник 45° Geberit Silent-Pro, d - 125, d1 - 125 [Артикул: 393.636.14.1]
Подробнее
393.636.14.1

ВНИМАНИЕ! Товар временно недоступен для заказа!

Цель применения:

  • Для отвода сточных вод внутри зданий
  • Для зданий с высокими требованиями к звукоизоляции

Характеристики:

  • Звукоизоляция

Технические данные

Температура монтажа: от -10 до +40 °C.

Материал: PP MX.

Тепловое расширение: 0,08 мм/(м·К).

d d1 Угол H Z1 Z2 Z3
мм мм   см см см см
125 125 45° 26,2 3,1 15,7 15,7
Тройник 87,5° Geberit Silent-Pro, d - 125, d1 - 90 [Артикул: 393.650.14.1]
Подробнее
393.650.14.1

ВНИМАНИЕ! Товар временно недоступен для заказа!

Цель применения:

  • Для отвода сточных вод внутри зданий
  • Для зданий с высокими требованиями к звукоизоляции

Характеристики:

  • Звукоизоляция

Технические данные

Температура монтажа: от -10 до +40 °C.

Материал: PP MX.

Тепловое расширение: 0,08 мм/(м·К).

d d1 Угол H Z1 Z2 Z3
мм мм   см см см см
125 90 87,5° 17,1 4,6 6,9 5,2
Тройник Geberit Silent-Pro со смещенным впуском 87,5°, d - 125, d1 - 110 [Артикул: 393.651.14.1]
Подробнее
393.651.14.1

ВНИМАНИЕ! Товар временно недоступен для заказа!

Цель применения:

  • Для отвода сточных вод внутри зданий
  • Для зданий с высокими требованиями к звукоизоляции

Характеристики:

  • Звукоизоляция

Технические данные

Температура монтажа: от -10 до +40 °C.

Материал: PP MX.

Тепловое расширение: 0,08 мм/(м·К).

d d1 Угол H Z1 Z2 Z3
мм мм   см см см см
125 110 88,5° 21,3 6,6 7,8 7,3
Тройник 87,5° Geberit Silent-Pro, d - 125, d1 - 125 [Артикул: 393.652.14.1]
Подробнее
393.652.14.1

ВНИМАНИЕ! Товар временно недоступен для заказа!

Цель применения:

  • Для отвода сточных вод внутри зданий
  • Для зданий с высокими требованиями к звукоизоляции

Характеристики:

  • Звукоизоляция

Технические данные

Температура монтажа: от -10 до +40 °C.

Материал: PP MX.

Тепловое расширение: 0,08 мм/(м·К).

d d1 Угол H Z1 Z2 Z3
мм мм   см см см см
125 125 87,5° 20,9 6,5 6,8 7
Тройник 87,5° Geberit Silent-Pro, d - 125, d1 - 75 [Артикул: 393.654.14.1]
Подробнее
393.654.14.1

ВНИМАНИЕ! Товар временно недоступен для заказа!

Цель применения:

  • Для отвода сточных вод внутри зданий
  • Для зданий с высокими требованиями к звукоизоляции

Характеристики:

  • Звукоизоляция

Технические данные

Температура монтажа: от -10 до +40 °C.

Материал: PP MX.

Тепловое расширение: 0,08 мм/(м·К).

d d1 Угол H Z1 Z2 Z3
мм мм   см см см см
125 75 87,5° 23 7,8 12,2 7,9
Тройник 45° Geberit Silent-Pro, d - 160, d1 - 90 [Артикул: 393.734.14.1]
Подробнее
393.734.14.1

ВНИМАНИЕ! Товар временно недоступен для заказа!

Цель применения:

  • Для отвода сточных вод внутри зданий
  • Для зданий с высокими требованиями к звукоизоляции

Характеристики:

  • Звукоизоляция

Технические данные

Температура монтажа: от -10 до +40 °C.

Материал: PP MX.

Тепловое расширение: 0,08 мм/(м·К).

d d1 Угол H Z1 Z2 Z3
мм мм   см см см см
160 90 45° 25,2 3 21 16,9
Тройник 45° Geberit Silent-Pro, d - 160, d1 - 110 [Артикул: 393.735.14.1]
Подробнее
393.735.14.1

ВНИМАНИЕ! Товар временно недоступен для заказа!

Цель применения:

  • Для отвода сточных вод внутри зданий
  • Для зданий с высокими требованиями к звукоизоляции

Характеристики:

  • Звукоизоляция

Технические данные

Температура монтажа: от -10 до +40 °C.

Материал: PP MX.

Тепловое расширение: 0,08 мм/(м·К).

d d1 Угол H Z1 Z2 Z3
мм мм   см см см см
160 110 45° 25,2 3 17,3 16,9
Тройник 45° Geberit Silent-Pro, d - 160, d1 - 125 [Артикул: 393.736.14.1]
Подробнее
393.736.14.1

ВНИМАНИЕ! Товар временно недоступен для заказа!

Цель применения:

  • Для отвода сточных вод внутри зданий
  • Для зданий с высокими требованиями к звукоизоляции

Характеристики:

  • Звукоизоляция

Технические данные

Температура монтажа: от -10 до +40 °C.

Материал: PP MX.

Тепловое расширение: 0,08 мм/(м·К).

d d1 Угол H Z1 Z2 Z3
мм мм   см см см см
160 125 45° 27,3 1,4 18,4 17,9
Тройник 45° Geberit Silent-Pro, d - 160, d1 - 160 [Артикул: 393.737.14.1]
Подробнее
393.737.14.1

ВНИМАНИЕ! Товар временно недоступен для заказа!

Цель применения:

  • Для отвода сточных вод внутри зданий
  • Для зданий с высокими требованиями к звукоизоляции

Характеристики:

  • Звукоизоляция

Технические данные

Температура монтажа: от -10 до +40 °C.

Материал: PP MX.

Тепловое расширение: 0,08 мм/(м·К).

d d1 Угол H Z1 Z2 Z3
мм мм   см см см см
160 160 45° 32,4 4 20,3 20,3
Тройник 87,5° Geberit Silent-Pro, d - 160, d1 - 110 [Артикул: 393.751.14.1]
Подробнее
393.751.14.1

ВНИМАНИЕ! Товар временно недоступен для заказа!

Цель применения:

  • Для отвода сточных вод внутри зданий
  • Для зданий с высокими требованиями к звукоизоляции

Характеристики:

  • Звукоизоляция

Технические данные

Температура монтажа: от -10 до +40 °C.

Материал: PP MX.

Тепловое расширение: 0,08 мм/(м·К).

d d1 Угол H Z1 Z2 Z3
мм мм   см см см см
160 110 87,5° 25,2 8,3 13,1 8,8
Тройник 87,5° Geberit Silent-Pro, d - 160, d1 - 125 [Артикул: 393.752.14.1]
Подробнее
393.752.14.1

ВНИМАНИЕ! Товар временно недоступен для заказа!

Цель применения:

  • Для отвода сточных вод внутри зданий
  • Для зданий с высокими требованиями к звукоизоляции

Характеристики:

  • Звукоизоляция

Технические данные

Температура монтажа: от -10 до +40 °C.

Материал: PP MX.

Тепловое расширение: 0,08 мм/(м·К).

d d1 Угол H Z1 Z2 Z3
мм мм   см см см см
160 125 87,5° 25,2 8,3 12,8 8,8
Тройник 87,5° Geberit Silent-Pro, d - 160, d1 - 160 [Артикул: 393.753.14.1]
Подробнее
393.753.14.1

ВНИМАНИЕ! Товар временно недоступен для заказа!

Цель применения:

  • Для отвода сточных вод внутри зданий
  • Для зданий с высокими требованиями к звукоизоляции

Характеристики:

  • Звукоизоляция

Технические данные

Температура монтажа: от -10 до +40 °C.

Материал: PP MX.

Тепловое расширение: 0,08 мм/(м·К).

d d1 Угол H Z1 Z2 Z3
мм мм   см см см см
160 160 87,5° 25,2 8,3 8,6 8,8

Смотрите также