Логотип
Ru| En

Офис: м. Бауманская

Склад: Ленинский городской округ

Loading

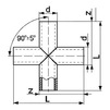
Крестовина 90° АльфаПайп, d - 710, ПЭ 100, SDR 17, сварная, 4-х сегментная [Артикул: 7w0314]