
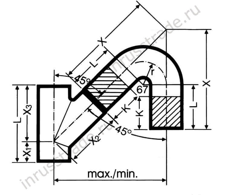
Согласно DIN 1986 часть 1 в отношении стояков бытовой канализации, которые проходят более чем через 4 этажа, при изменении направлений из-за возникающих при этих соотношениях давлений необходимы специальные технические мероприятия по укладке (см. DIN 1986 часть 1, раздел 6.2).
Это делает необходимым использование обходных колен с углом 135˚.
| DN | max | min | К |
|---|---|---|---|
| 100х100 | 370 | 300 | 100 |
| 125х100 | 380 | 310 | 100 |
| 150х100 | 395 | 325 | 100 |
| 200х100 | 410 | 340 | 100 |
| Размеры приведены в мм | |||